配电箱电气系统图
配电箱电气系统图

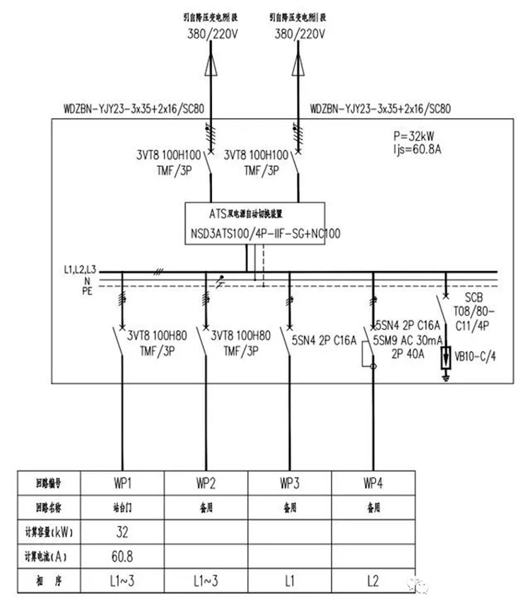
上图为一台完整的配电箱系统图,要读懂这张图纸,首先要能够认识里面的电气元件符号,元件的型号,以及电线电缆的型号等;
从这张图纸我们可以看到他是一台双电源配电箱,该配电箱的计算功率是32kW,计算电流是60.8A,出线有四个回路分别是WP1,WP2,WP3,SP4,还有一回路电涌保护器,电涌保护器上面的开关叫后备保护器;在往上是一台双电源,双电源上端是2个塑壳断路器,
WDZBN-YJY23-3x35+2x16/SC80 是低烟无卤阻燃B级耐火电缆, 其中WD无卤低烟,即电缆非金属材料采用的是无卤低烟材料;ZB:阻燃B级,电缆的成束阻燃等级为B级;N:耐火 电缆具有耐火功能;YJY23是铜芯交联聚乙烯绝缘聚乙烯护套钢带铠装聚乙烯外护套电力电缆;ABC三相35平方电缆,PE和N是16平方电缆,三相五线电缆;SC80是敷设80的镀锌钢管。
配电箱电气元器件装配图


上图为一台完整的配电箱系统图,要读懂这张图纸,首先要能够认识里面的电气元件符号,元件的型号,以及电线电缆的型号等;
从这张图纸我们可以看到他是一台双电源配电箱,该配电箱的计算功率是32kW,计算电流是60.8A,出线有四个回路分别是WP1,WP2,WP3,SP4,还有一回路电涌保护器,电涌保护器上面的开关叫后备保护器;在往上是一台双电源,双电源上端是2个塑壳断路器,
WDZBN-YJY23-3x35+2x16/SC80 是低烟无卤阻燃B级耐火电缆, 其中WD无卤低烟,即电缆非金属材料采用的是无卤低烟材料;ZB:阻燃B级,电缆的成束阻燃等级为B级;N:耐火 电缆具有耐火功能;YJY23是铜芯交联聚乙烯绝缘聚乙烯护套钢带铠装聚乙烯外护套电力电缆;ABC三相35平方电缆,PE和N是16平方电缆,三相五线电缆;SC80是敷设80的镀锌钢管。
配电箱电气元器件装配图

配电箱外形示意图

免责声明:文章来源于网络或个人发表,如有侵权请联系删除(13802804900)



