图文讲解接触器自锁和互锁电路,初学者进
对于电工来说,接触器是最常见的电器元件了,可以说无处不在。如电动机的点动、自锁控制。
我们先来看接触器的外形和构成,如下图

如上图所示,接触器共有六个主触点,1,3,5为主触点进线孔,2,4,6为主触点出线孔,A1,A2为接触器线圈的两个接线端子,在接触器的主触点的稍下方。也有的接触器A2有两个接点,我们在运用的时候随便接哪一个都行。线圈接线不分零火。
这里特别要注意的是,不管是什么接触器,都要注意他们的线圈电压,如下图

每一件接触器在线圈接线端子地方都会有这样的标识,还请各位一定要注意,接错了这个线圈就废了。。
当线圈得电时吸合,主触点和辅助触点吸合,当线圈断电时断开,主触点和辅助触点断开,这是我理解的接触器的工作方式。
来看一下接触器在电路中是怎样表示的,下图为接触器主触点在电路图中的表示

常开触点如下

常闭触点如下

线圈如下

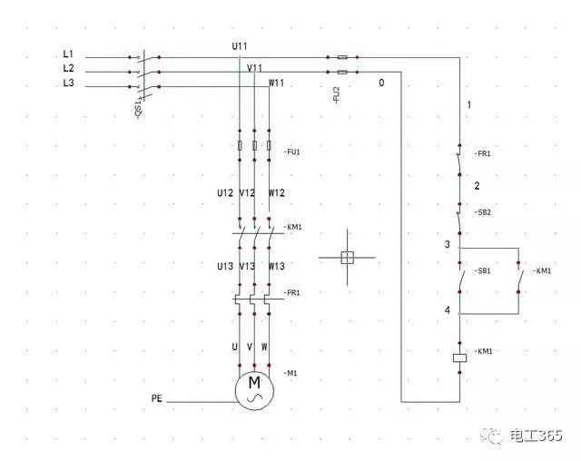
接下来我们看一下是怎么应用的,先看一下一个带有过载保护的接触器自锁控制的电路

接着看看是怎么运行的
合上电源开关QS1,三相电源经过保险FU1来到接触器km的输入端1,3,5,然后通过接触器的输出端2,4,6,来到热继电器的主触点输入端再从热继电器的输出端输送到电机,完成的是主电路,如果要实际接线的话,可以按照上图中线号的标注来接线,这样不会迷糊。
控制回路:合上开关后,控制电源L2流经fu2直接来到接触器km的线圈。另外一条控制线L1,经过保险fu2来到热继电器的常闭输入点,然后从热继电器的常闭输出点来到停止按钮SB2的输入点,然后从SB2的输出点分两条,一条进启动按钮SB1的输入点,一条进接触器辅助触点常开点的输入端,最后从启动按钮的输出端和接触器辅助触点常开点的输出端并一条线接到接触器的线圈,跟控制线L2形成回路。
简单说一下它的控制原理:启动时按下启动按钮SB1,接触器的线圈得电吸合并带动其主触点和辅助触点同时吸合,电动机运转。松开SB1,由于常开点闭合接通了通往线圈的电源,所以线圈依然吸合,并形成自锁,电动机依然运转,这就是接触器的自锁线路。停机时只要按下停止按钮SB2,即可切断接触器线圈的电源,接触器线圈断电释放,断开通往电动机的三相电源,电动机停止运转。
接触器互锁的电动机正反转控制线路图如下

正反转的控制回路只是在KM1的正转回路上增加了一个KM2的常闭辅助触点,同时也在KM2的反转回路上增加了一个KM1的常闭辅助触点,这就是所谓的互锁电路
要想让电机正反转,就要调换三相电源对电动机三相绕组的控制,才能完成,所以要注意看一下主回路的接线,请仔细看一下上图中两个接触器接线有哪些不同。
我们先来看接触器的外形和构成,如下图

如上图所示,接触器共有六个主触点,1,3,5为主触点进线孔,2,4,6为主触点出线孔,A1,A2为接触器线圈的两个接线端子,在接触器的主触点的稍下方。也有的接触器A2有两个接点,我们在运用的时候随便接哪一个都行。线圈接线不分零火。
这里特别要注意的是,不管是什么接触器,都要注意他们的线圈电压,如下图

每一件接触器在线圈接线端子地方都会有这样的标识,还请各位一定要注意,接错了这个线圈就废了。。
当线圈得电时吸合,主触点和辅助触点吸合,当线圈断电时断开,主触点和辅助触点断开,这是我理解的接触器的工作方式。
来看一下接触器在电路中是怎样表示的,下图为接触器主触点在电路图中的表示

常开触点如下

常闭触点如下

线圈如下

接下来我们看一下是怎么应用的,先看一下一个带有过载保护的接触器自锁控制的电路

接着看看是怎么运行的
合上电源开关QS1,三相电源经过保险FU1来到接触器km的输入端1,3,5,然后通过接触器的输出端2,4,6,来到热继电器的主触点输入端再从热继电器的输出端输送到电机,完成的是主电路,如果要实际接线的话,可以按照上图中线号的标注来接线,这样不会迷糊。
控制回路:合上开关后,控制电源L2流经fu2直接来到接触器km的线圈。另外一条控制线L1,经过保险fu2来到热继电器的常闭输入点,然后从热继电器的常闭输出点来到停止按钮SB2的输入点,然后从SB2的输出点分两条,一条进启动按钮SB1的输入点,一条进接触器辅助触点常开点的输入端,最后从启动按钮的输出端和接触器辅助触点常开点的输出端并一条线接到接触器的线圈,跟控制线L2形成回路。
简单说一下它的控制原理:启动时按下启动按钮SB1,接触器的线圈得电吸合并带动其主触点和辅助触点同时吸合,电动机运转。松开SB1,由于常开点闭合接通了通往线圈的电源,所以线圈依然吸合,并形成自锁,电动机依然运转,这就是接触器的自锁线路。停机时只要按下停止按钮SB2,即可切断接触器线圈的电源,接触器线圈断电释放,断开通往电动机的三相电源,电动机停止运转。
接触器互锁的电动机正反转控制线路图如下

正反转的控制回路只是在KM1的正转回路上增加了一个KM2的常闭辅助触点,同时也在KM2的反转回路上增加了一个KM1的常闭辅助触点,这就是所谓的互锁电路
要想让电机正反转,就要调换三相电源对电动机三相绕组的控制,才能完成,所以要注意看一下主回路的接线,请仔细看一下上图中两个接触器接线有哪些不同。
免责声明:文章来源于网络或个人发表,如有侵权请联系删除(13802804900)



