这么全的PLC输入输出各种回路接线,第一次看见
输入电路是PLC接收信号的端口(对模拟量来说一般为0-40MA直流电流或0-10V直流电压信号),输入接线是指外部输入器件(任何无源的触点和集电极开路的NPN三极管)接通输入回路闭合,同时输入指示的发光二极管亮。常用外部输入器件有按钮,接近开关,转换开关,拨码器,各种感应器等,是对系统发出各种控制信号的主令电器。

(一)PLC输入模块与主令电器电器类设备的连接
图中松下PLC为直流汇点式输入,即所以输入点共用一个公共端COM,同时COM端内带有DC24V电源,在编写程序时注意外部设备使用的是常闭还是常开触点

输入端的电气原理图中停止按钮SB0用常闭触点,串在控制线中,用于停机控制。启动按钮SB1用常开触点。在设计的两个梯形图完成的控制功能相同,但停机信号X0使用的触点类型不同,那么连接在端点的外部停机按钮触点类型也就不同

I/O分配SB0-X0,SB1-X1,输出K0-Y0。当外部使用长闭触点,不操作该按钮,输出Y0正常接通,在PLC控制系统中,外部开关无论是启动还是停止一般都选用常开型。

(二)接近开关与PLC输入模块的连接
在PLC控制系统设计中接线的工作比重叫小,但它是编程设计的基础。要保证接线工作正确性,需PLC的输入输出电路有一个清楚的了解。
1.PLC直流输入电路:分有源型(共阳极)输入电路,漏型(共阴极)输入电路。所以漏型输入电路PLC的COM端是外接直流电源的正极,如西门子S7-400PLC直流输入模块的COM端必须接外部电源的正极。所以西门子PLC输入信号为低压信号,如果外部信号为高压信号应该通过中间继电器转换。
2.PLC交流输入电路电压一般为AC120V或AC230V,经过电阻的限流和电容的隔离在经过整流变成直流三个环节,所以输入信号延迟时间比直流电路长,但是输入端是高电压,输入信号的可靠信高,一般用于环境恶劣,对响应要求不高的场合。
(三)开关量信号与PLC输入模块的连接
对于不同的PLC输入电路应正确选择传感器(NPN或PNP)的输入方式,NPN型传感器动作时,OUT端为0V,(NPN型输出端OUT应和PLC的输入端漏型相连)输出低电平信号。PNP型传感器动作时,OUT端为+V,输出高电平信号。
(四)PLC输入回路接线的优化
1、减少输入点数,分组输入

如图上系统分自动和手动两种工作方式,Q1-Q8为手动方式用到的 输入信号,S1-S8为自动方式用到的输入信号。S1和Q1共用输入点X0,PLC运行时只会用到其中一组信号,所以可以共用PLC的输入点。(图中二极管是用来防止寄生回路,避免错误输入信号的产生。
2、输入设备的多功能化:在PLC系统中可以借助PLC逻辑功能来实现一个设备在不同条件下产生不同作用的信号。
3、不同形式的直流输入信号与PLC连接

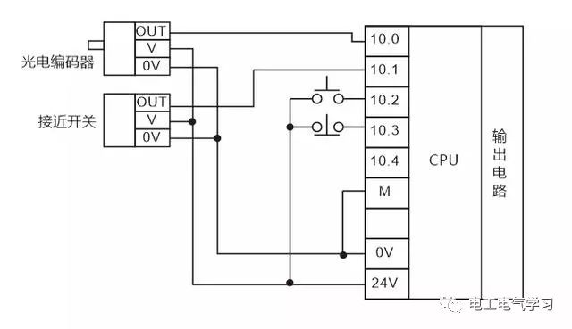
直流有源输入输入信号一般都是24V,这类信号与其他无源开关量信号混合接入PLC输入点时电压的0V点一定要接。上图输入点I0.0,I0.1连接光电编码器,接近开关的输出OUT信号,它们的驱动电源由PLC自身的24V电压提供

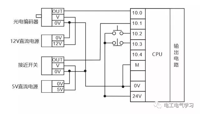
不同电压直流信号与PLC输入模块输入点的连接,注意信号电位差的参考点必须相同。即它们的0V信号必须连接在一起。
4、对与用长线引入PLC的开关量信号可以用小行继电器来转接输入信号,避免外部的强电感应的干扰。
输出回路接线
由于PLC输出元件被封装在线路板上并连接至输出端子板上,若将输出元件短路将烧毁印制电路板,所以应用熔断器保护输出元件。开关量输出模块有继电器,晶体管,晶闸管输出。输出端接线分公共输出和独立输出。直流输出的续流管保护,交流输出阻容吸收电路,晶体管,晶闸管输出的旁路电阻保护,以及外部紧急停车电路。
(一)PLC输出有三种,这三种输出回路的配线应注意
1、继电器输出配线:通用于交直流电路,不同公共点可以带不同交直流电压负载。负载容量以负载性质区分,阻抗负载2A/1点,8A/4点COM ,感抗负载容量80VA,灯泡负载100W。可知继电器型输出的PLC可通过相对大的电流,但输出触点响应的时间相对较慢。
2、晶体管输出:通用于直流电路,电压范围DC5-30V,阻抗负载0.5A/1点,0.8A/4点COM ,感抗负载容量12W/DC24,灯泡负载1.5W/DC24。可知晶体管型输出的PLC输出触点响应时间快,但个通过的电流小。
3、晶闸管输出:适应高频动作,但只能带DC5-30V,负载最大电流电流为0.5A,灯泡负载30W。
4、在输出回路必须设置适当熔断器作为保护。DC直流感抗负载要并联二极管以延长触点寿命,二极管规格为耐压时负载电压5-10倍,电路大于负载电流。
5、氖灯或小电流负载需要并联浪涌吸收器。
6、马达正反转电路,除PLC内部程序要设计互锁,输出外部配线也必须互锁配线。
(二)COM 点的选择
因为PLC内部没有熔断器,需在COM点处加一个熔断器。当负载种类多且电流大可采用一个COM点带1-2个输出点的PLC产品,当负载数量多且种类少可采用一个COM点带4-8个输出点的PLC产品。
(三)PLC与感性设备的连接
当PLC输入输出端接有感性负载元件时,直流输出的续流管保护(直流电路两端并联续流二极管),交流输出阻容吸收电路。

对与大容量负载电路,须在继电器主触头两端连接RC阻容吸收电路

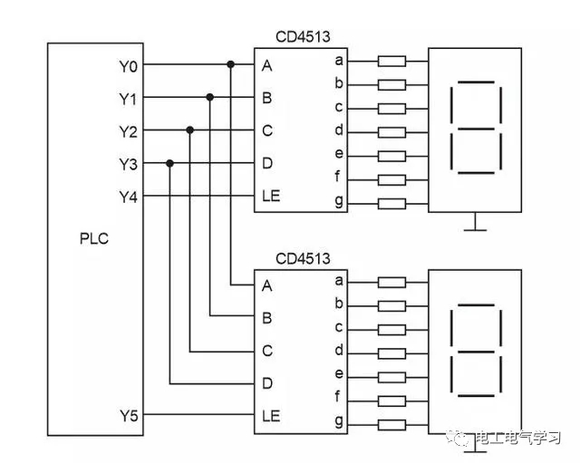
(四)PLC与七段LED显示器的连接

上图两只CD4513的数据输入端A-D共用PLC四个输出端Y0-Y3,A为最底D为最高,LE 为寄存输入端,当LE 为高电平时,输入数据将存在芯片内的寄存器中,并将其译码后显示出来。如PLC使用继电器输出模块时,与CD4513相连的输出各端在接一个下拉电阻,避免输出继电器断开的时候CD4513输入端悬空。

七段数码管有共阴极(公共极接地)和共阳极(公共极接+5V)两种,是电气仪表常用的数显器件。
(五)PLC控制系统输出回路接线的优化
1、减少输出点的措施
① 巨阵输出:要使某个设备(负载)接通工作,只要控制相对应的输出继电器接通即可,采用巨阵输出必须将同一时间段接通的负载安排在同一列。
②分组输出:PLC每个输出点可以控制两个不同时工作的负载,当两组负载不会同时工作事,可以通过外部转换开关SA进行切换。
③ 并联输出:两个通段完全相同的负载可并联后共用PLC的一个输出点。
④ 提高PLC输出可靠性措施:PLC输出模块的继电器触点容量一般为2A,如果输出点的负载功率太大,可以采用输出继电器带动一个中间继电器,在由中间继电器驱动负载。
免责声明:文章来源于网络或个人发表,如有侵权请联系删除(13802804900)



