变频器的输出频率调高,那么输出电压将如何提高?
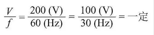
变频器调频的过程中,芯片会自动调整输出电压,让两者保持一定的比例,变频器控制的过程中,电压/频率的比值,需要保持一定值,否则电机可能会因为磁通饱和问题而发热无力,无法长期工作。

变频器频率调高,电压也对应要调高
三相异步电机的调速,在大功率晶体管突破以前,一直都是非常不容易的事情。主要是它的扭矩取决于电机里边的气隙主磁通和转子电流磁场的互相作用,虽然频率和转速是成正比例的,但是在基准频率以内调速的时候,如果要降低转速而调低频率,这时候会出现气隙主磁通太大,造成磁路严重饱和,引起电机发热。所以在降低频率的时候,需要把电压也降低。而在加高频率的时候,也需要加高电压,总体上需要维持V/F值基本恒定。

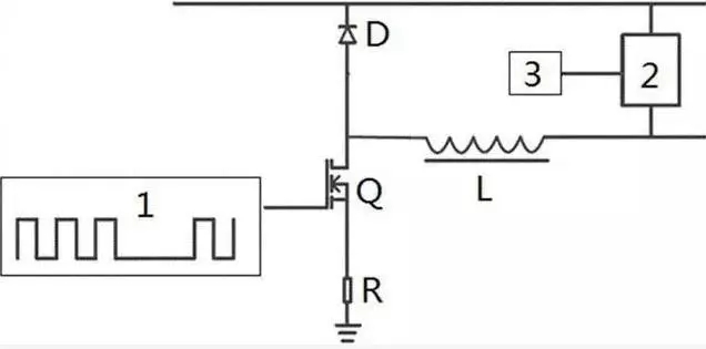
交流电是正弦波,要调整电压,对于电子元件而言,那是比较困难的。人类只善于通过线性的方法去处理一些复杂非线性的东西,有了IGBT等功率器件后,可以利用这类器件能够快速开关的特性,把平稳的电压,切成很多个高频可变的脉冲电压。

根据微积分原理,任何一条曲线,都可以通过多条直线来衔接起来模拟和逼近它,只要包围的面积一致就可以达到一样的作用效果。所以先把正弦波交流电,通过整流桥,变成直流电压,利用电容稳压滤波,这时候交流电已经完全变成了直流电,也就是人们需要的一条直线了。

在这个直流电压和电机之间,利用IGBT这样能高速大功率通断的器件,来让电机线圈上,可以瞬间通过多个频率和占空比可以变动的脉冲波形,这些脉冲波形,在空间包围的面积上,可以达到和正弦波接近的效果,这样的过程,可以达到改变频率的同时而改变了电压,让电压和频率的比值V/F保持恒定某个值大小,从而控制了主磁通的恒定,让异步电机能在恒转矩模式下来调整速度,这个就是所谓的PWM斩波调速。

电压不能无节制提升
电机有额定电压,额定频率和额定转速,还有额定电流,也就是它有一个上限要求范围,如果你给它的电压超过了额定电压,它线圈的绝缘击穿了,会直接烧掉的。

所以电机的电压到了一定程度,就不能继续往上调整了,但是频率还可以往上调整一定空间,这时候频率变大的了,电压的值依然没有改变,相当于V/F值变小了,这时候电机里边的主磁通是随着转速的增加而变小的,所以转速越高,电机的扭矩越小,这种调速方式,是牺牲了扭矩来提高频率和转速的,美其名曰“恒功率调速”,一般在调速范围比较宽的场合来补充使用,类似于汽车工作时候,变速箱的减速比比较小的场合。

这种调速方式,都是在额定频率以上来实现的,是一种弱磁调速方式,也就是减弱了主磁通的来达到调速目的,因为带载能力不行,需要综合考虑现场的使用环境和条件。
而且电源的电压也是有一定的限制的,比如三相380伏,全部整流后,加在直流母线上,大概是535伏,这样即使斩波出来的脉冲电压,最高的幅值也就是这个大小了,再往上是不可能的了,除非增加了一些变压装置,那样体积和价格都会加很多倍,根本是无法实现和使用的。
单片机技术进步也是关键
以往只有模拟电子电路,要实现一些量化控制,需要非常多的元件,一点小小的功能,根本就不能实现复杂一点的控制逻辑。
数字电路发展起来后,大规模集成电路在一个芯片里边成为可能,单片机出来了,可以在一个很小的芯片里边,容纳了非常多的晶体管,而且最终出来了可以编程的软件功能,这样开发复杂的大功率功率管控制才有了条件。
V/F控制,虽然看起来只是让两个比值保持一定的恒定,但是如果使用模拟电路来实现,几乎是可能轻易实现的,但是对于单片机而言,它就是一个微信电脑主机了,能轻易计算和很多数据和流程,所以可以让频率在变化的同时,让电压也跟随着变化。

变频器的功能也不断进步,除了简单处理V/F算法控制以外,PWM等功能都集成到单片机里边了,调整计时器的参数和设置往往就可以达到目标。而矢量控制出来后,现在的芯片还能实现矢量变换和计算,还可以在变频器里边开发出来了各种PLC控制功能,满足不同的工艺控制要求和逻辑控制要求,这一些都得益于电子硬件技术和软件技术的发展。
免责声明:文章来源于网络或个人发表,如有侵权请联系删除(13802804900)



