变频器的外接主电路详解
一、外接主电路结构

二、相关元件的选择
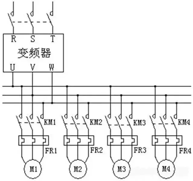
变频器输出端与电动机之间是否需要配置交流接触器,这要根据具体的应用环境来确定。一般情况下,一台变频器控制一台电动机,且不要求与工频进行切换时,变频器与电动机之间不要使用接触器,如图4所示。而一台变频器驱动多台电动机时,则每台电动机必须有单独控制的接触器,并选配合适的热继电器FR对电动机进行保护,具体电路如图5所示。有时虽然一台变频器仅驱动一台电动机,但有可能在变频与工频之间切换运行,这时也应在变频器与电动机之间配置接触器KM3和热继电器FR。如图6所示。接触器KM3在电动机工频运行时用于切断变频器输出端与电源之间的连接;热继电器FR可在工频运行时对电动机进行保护。
三、变频器与电动机之间的允许距离
变频器的输出电压宣称是正弦交流电,而实际上输出的是电压脉冲序列,其频率等于载波频率,约几kHz~20kHz,幅值等于直流回路电压平均值,当变频器与电动机之间的连接线很长时,导线的分布电感和线间分布电容的作用将不可忽视,线间分布电容与电动机的漏磁电感之间有可能因接近于谐振点而导致电动机的输入电压偏高,使电动机损坏,或运行时发生振动。因此,变频器与电动机之间的允许距离(允许导线长度)受到了限制。由于各种变频器内部采用了不同的技术方案,所以其允许距离也有区别。
变频器的外接主电路如图4所示。三相交流电源经断路器QF、交流接触器KM与变频器的电源输入端R、S、T连接;变频器的输出端U、V、W则与电动机直接相连,这时电动机的保护由变频器完成。这里的断路器作用有:一是变频器停用或维修时,可通过断路器切断与电源之间的连接;二是断路器具有过电流和欠电压等保护功能,可对变频器起一定的保护作用。而接触器可通过按钮开关方便地控制变频器的通电与断电,同时,当变频器或相关控制电路发生故障时可自动切断变频器的电源。

图1 变频器的外接主电路
变频器输出端与电动机之间是否需要配置交流接触器,这要根据具体的应用环境来确定。一般情况下,一台变频器控制一台电动机,且不要求与工频进行切换时,变频器与电动机之间不要使用接触器,如图4所示。而一台变频器驱动多台电动机时,则每台电动机必须有单独控制的接触器,并选配合适的热继电器FR对电动机进行保护,具体电路如图5所示。有时虽然一台变频器仅驱动一台电动机,但有可能在变频与工频之间切换运行,这时也应在变频器与电动机之间配置接触器KM3和热继电器FR。如图6所示。接触器KM3在电动机工频运行时用于切断变频器输出端与电源之间的连接;热继电器FR可在工频运行时对电动机进行保护。

图2 一台变频器驱动多台电动机

图3 变频与工频切换
三、变频器与电动机之间的允许距离
变频器的输出电压宣称是正弦交流电,而实际上输出的是电压脉冲序列,其频率等于载波频率,约几kHz~20kHz,幅值等于直流回路电压平均值,当变频器与电动机之间的连接线很长时,导线的分布电感和线间分布电容的作用将不可忽视,线间分布电容与电动机的漏磁电感之间有可能因接近于谐振点而导致电动机的输入电压偏高,使电动机损坏,或运行时发生振动。因此,变频器与电动机之间的允许距离(允许导线长度)受到了限制。由于各种变频器内部采用了不同的技术方案,所以其允许距离也有区别。
免责声明:文章来源于网络或个人发表,如有侵权,请联系删除(13802804900)




